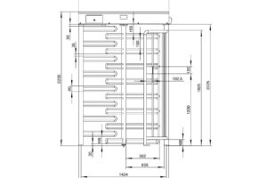
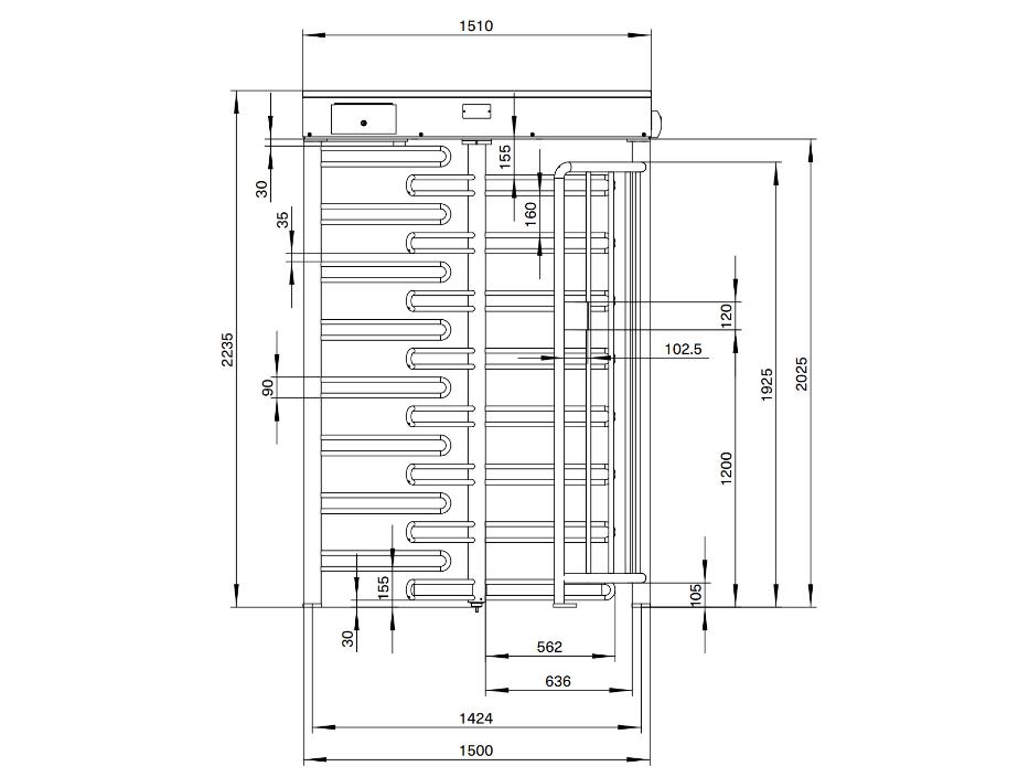
Heras Rotasjonsport MPT333
Heras MPT33 er en elektromekanisk rotasjonsport/rondell med MGC styring (enkelt kors). Kontroll i begge retninger (ut og inn). Ved gyldig signal/impuls fra f.eks. kortleser gir mekanikken passasje for én person gjennom korset, 120 grader (3-armet) kors. Rotasjonsporten er ferdig utstyrt med påsveiset plate for montering av kortleser.
Rotasjonsporten leveres standard i varmgalvanisert og lakkert RAL 7042 grå (ramme + kors), uten tak, belysning og stort kortleserhus.
Tilgjengelig ekstra utstyr rotasjonsport og betjeningsutstyr:
– Stort platetak for enkel rotasjonsport MPT 333, med 4 stk. stolper (uten belysning)
– Belysning LED-armatur til rotasjonsport MPT
– GSS (Garda Smart Service). GSM åpner og diagnoseverktøy i samme produkt, merverdi for kunde, brukere og leverandør med tanke på service og driftssikkerhet.
Installasjon og grunnarbeider for rotasjonsport – utført Heras AS
Grunnarbeider inkluderer:
– Graving og støpning av fundament for rotasjonsport
– Graving og legging av trekkerør for driftsspenning og internkabling, som avregnes etter mengde
Igjenfylling av kabelgrøfter og rundt fundamenter gjøres med stedlige masser, pukk/grus.
Heras monterer port på etablerte fundamenter og står for i igangkjøring og overlevering, som er inkludert engangsopplæring på overleveringstidspunktet. Prisen inkluderer ikke trekking og tilkobling av driftsspenning og evt. signalkabler, reasfaltering etter graving og kabelpåvisning. Heras kan utføre dette mot tillegg i prisen.
Pris forutsetter anvist og ryddet graveområde, fritt for trær, busker, mye snø, etc., også fritt for jordkabler eller annen hindrende infrastruktur. Dersom det forekommer avbrekk i grunn- og montasjearbeid som ikke skyldes Heras AS, tilkommer gjeldende timerate. Det må være mulighet for lossing og inn-transportering av materiell i nærhet av montasjeplassen.
Forutsetning rotasjonsportmontasje ved eksternt grunnarbeid
Heras monterer port på ferdige etablerte fundamenter og står for i igangkjøring og overlevering, som er inkludert engangsopplæring på overleveringstidspunktet. All internkabling i etablerte kabelrør gjøres av Heras.
Grunnarbeider, graving og støpning av fundamenter for port iht. produsentens tegninger utføres av kunde. Kunden må også besørge fremføring og tilkobling av driftsspenning og evt. signalkabler.
Heras kan gjennomføre dette mot tillegg i pris.
Det må være mulighet for lossing og inn-transportering av materiell i nærhet av montasjeplassen. Dersom det forekommer avbrekk i grunn- og montasjearbeid som ikke skyldes Heras AS, tilkommer gjeldende timerate.
Grunnarbeider for rotasjonsport
Grunnarbeider, graving og støping av fundamenter for rotasjonsport. Graving og legging av trekkrør 50mm for strømkabler og signalkabler til portanlegget tilkommer som priset nedenfor. Igjenfylling av kabelgrøfter og rundt fundamenter gjøres med stedlige masser, pukk/grus. Evt. behov for reasfaltering etter graving er ikke inklusiv i prisen.
Det må også trekkes ut strøm til styreskapet og tilkobling, som dere må ta med deres elektriker. Det forutsettes anvist og ryddet graveområde, fritt for trær, busker, mye snø, etc., også fritt for jordkabler eller annen hindrende infrastruktur, videre forutsettes ingen heft for våre montører og at alt arbeide kan utføres sammenhengende.
Dere må også sørge for kabelpåvisning fra Geomatikk eller at vi gjør det og viderefakturerer kostnaden pr. gang, inkl. oppmøte (påvisning for alle porter, bommer og evnt. gjerde gjøres samtidig og kostnaden betales da kun 1 gang).



